服务热线

0459-5153333

新闻分类
关于征求GB 32167《油气输送管道完整性管理规范》 修订建议的通知
来源:天然气咨询 | 作者:天然气咨询 | 发布时间: 2021-04-01 | 878 次浏览 | 🔊 点击朗读正文 ❚❚ | 分享到:



GB32167-2015《油气输送管道完整性管理规范》发布实施5年来,广泛应用于国内油气管道企业管道完整性管理工作和政府部门监管中。随着近年来油气管道主要风险和管理关注点的变化,有必要通过标准修订,应对近年来管道环焊缝开裂等事故中暴露的管道风险和政府监管部门的新要求。

目前,国家管网北方管道公司提出GB 32167的修订项目建议已获得国家市场监管总局标准技术管理司的立项。计划将标准修订为全文强制性标准,并对高后果区识别准则和管理措施、地区等级升级管理、管道检测和适用性评价、建设期管道完整性管理、高强钢管道环焊缝检测评价和风险管控等内容进行重点修订和补充。

请各单位结合完整性管理工作经验、研究成果和管理需求,积极提供GB 32167修订建议,并在4月30日前将标准征求意见表反馈至起草组联系人(项小强, 279660781@qq.com)。提出建设性修订建议较多的单位,将纳入标准修订单位。


       GB 32167-2015《油气输送管道完整性管理规范》起草组


                                                                                                                        2021年3月23日

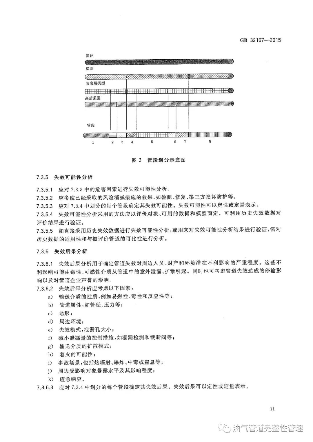
GB32167-2015《油气输送管道完整性管理规范》

图片

图片

图片

图片

图片

图片

图片

图片

图片

图片

图片

图片

图片

图片

图片

图片

图片

图片




图片

图片

图片



图片

图片

图片

图片

图片

图片

图片

图片

图片

图片

图片

图片

图片

图片


图片

图片

图片

图片

图片

图片

图片

图片

图片

图片

图片

图片


图片


北京市中燃联信息咨询中心近期培训:


1、燃气工程EPC工程总承包项目全过程实战管理及风险防范高级研讨班,2021年4月21-24日,杭州;

2、城镇燃气规划编制实操技术高级培训班,2021年4月21-24日,杭州;

3.燃气行业安全运营管理与应急管理专项培训班,2021年4月26-29日杭州;

4.燃气行业营销拓展及燃气经营权获取高级培训班,2021.4.27-30,长沙;

5、燃气企业如何有效打击偷盗气实务讲座,2021年5月12-15日,深圳;

6、燃气建设工程全流程投资管理与竣工验收管理实务培训班,2021年5月19-22日,成都;

7、燃气计量管理及如何促进准确计量专项培训班,2021.5.19-22,成都;

8、LNG国际采购贸易(采购、合同、核算、套保)及拼单联合采购实操高级培训班,2021年5月26-29日,北京;

9、城镇燃气调压计量设备专业培训班,2021年5月26-29日,北京;

10、燃气计量管理及如何促进准确计量专项培训班,2021.6.15-19日,青岛;

11、燃气行业安全运营管理与应急管理专项培训班,2021.6.21-24,烟台;

12、燃气建设工程全流程投资管理与竣工验收管理实务培训班,2021年6月23-26日,烟台;

***非金属PE焊工每月中旬考试,河北,请提前报名***

***“城镇燃气技术规范”暨高级城市燃气工程师研修班(函授),每月一期,欢迎咨询报名***

***管道腐蚀与防护从业人员阴极保护CPL培训,欢迎咨询报名***

欢迎大家参加学习,报名热线:13488648078(微信同号)  张老师